熱線:021-66110810,66110819
手機:13564362870

熱線:021-66110810,66110819
手機:13564362870
背景介紹:氫(H2)是一種方便的無碳能量載體。目前世界上生產的氫氣大部分來自經過處理的液化天然氣,作為成熟的厭氧處理系統的一部分,最常見的非化石生產H2的途徑是通過可降解有機材料的發酵。有機廢物發酵過程中的代謝途徑主要受溶解H2濃度的控制,這已經得到了很好的證實,但是目前還沒有報道比較通過控制溶解H2濃度所引起的發酵途徑的觀察和預測轉移的研究。研究人員提出了一種灌流系統,該灌流系統經過開發,可通過高度富集嗜熱厭氧桿菌的培養物來控制葡萄糖連續發酵中溶解的H2濃度。研究人員主要是通過來自2.5 L CSTR的介質通過燒結鋼膜過濾器來保留生物質,允許在一個獨立的腔中進行有力的噴射,并且不會破壞細胞。通過噴射和控制葡萄糖進料速率從0.8到0.2 g/L/d的變化相結合,在溶解的H2濃度低至當量平衡H2分壓為3 kPa的條件下進行了一系列穩態發酵。利用H2調節分區模型模擬了產物形成速率的變化趨勢。提出了一套連續的實驗,在此條件下建立了一定范圍內溶解H2濃度的穩態條件。然后用細胞內質量平衡和Mosey提出的H2調節模型將H2產量與預測產量進行比較。
Unisense微電極系統的應用
H2微電極傳感器(H2‐500,Unisense)用于測量發酵罐體中溶解的H2,該氫氣微電極位于串聯的50 mL腔室中,并用圍繞探針的氣密O型圈密封。將微傳感器連接到皮安計上(PA2000,Unisense)。氫氣微電極傳感器每天校準三次,校準點有三個:溶解在60℃營養液中的H2,其頂空濃度分別為0.005%、3%和21%。氫氣微電極傳感器經過這樣的校準確保了該傳感器在與反應堆相同的鹽度和溫度條件下進行校準。
實驗結果
開發出一種結合了膜過濾和氣體噴射的灌注系統。它提供了一種新穎的操作策略來控制發酵罐中溶解的H2濃度。通過將介質循環通過噴射回路,當以等效的平衡頂空H2濃度表示時,可將溶解的H2濃度降低至3%。產品產量隨著H2濃度的變化而改變,通過引入噴注電路和降低反應器的進料速率來實現。以溶解的H 2濃度為關鍵調節因子的AH2調節分配模型是根據以前開發的模型改編的,模型中未使用擬合參數。此項研究也是首次直接測量溶解的H2濃度以模擬發酵產物分配并將這些模擬與記錄的發酵變化進行比較的研究。
圖1、具有H 2調節位點的代謝途徑用于模擬葡萄糖的發酵過程示意圖。
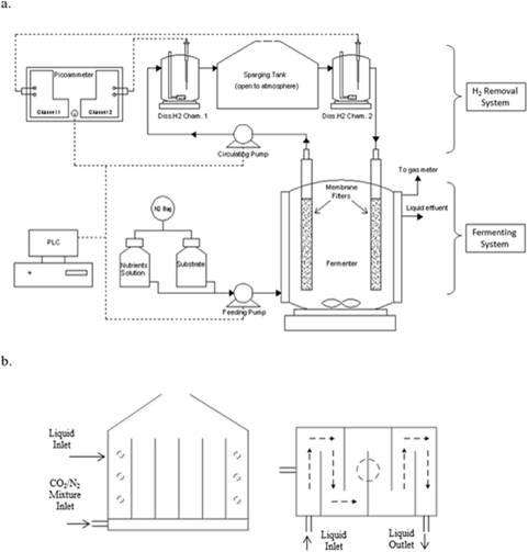
圖2、a)灌注系統示意圖。實線表示液體管,箭頭表示流向。虛線表示用于數據采集和PLC控制信號的電線。b)鼓泡罐的示意圖和預制流路的示意圖。
圖3、使用unisense微電極系統測試在不同操作條件下發酵罐中溶解H2濃度、H2產率及體系pH值(上);通過相關實驗和模型模擬了有機酸(中)的形成速率;和醇的生成速率。
圖4、每種操作條件下的溶解H 2濃度和平均穩態H 2產率。誤差棒代表每日測得的H 2產量的標準偏差。
圖5、根據發酵途徑模型預測,產物產量是溶解H2的函數。pH=5.3(0.5 g/d灌注階段)。
結論與展望
本論文研究了有機廢物發酵過程中的代謝途徑是如何收溶解的H2濃度控制的。最常見的非化石生產H2的途徑是通過可降解有機材料的發酵。目前H2的低產量是通過最簡單的糖的發酵實現的。從葡萄糖發酵中測試到的H2產率一般為2 mol/mol,僅為理論最大發酵產率(4 mol/mol)的50%,而使用純嗜熱培養物的研究已獲得H2的產量為4 mol/mol葡萄糖。但是目前還沒有報道比較通過控制溶解H2濃度所引起的發酵途徑的觀察和預測轉移的研究。研究人員提出了一種灌流系統,該灌流系統經過開發,可通過高度富集嗜熱嗜熱厭氧桿菌的培養物來控制葡萄糖連續發酵中溶解的H 2濃度,并提出了一套連續的實驗,在此條件下建立了一定范圍內溶解H2濃度的穩態條件,開發出一種結合了膜過濾和氣體噴射的灌注系統。
此研究提供了一種新穎的操作策略來控制發酵罐中溶解的H2濃度,通過使用unisense微電極研究系統結合H2微電極(H2-500)監測發酵罐中溶液中的氫氣濃度,由于unisense微電極系統能夠快速的準確的檢測出發酵罐中溶液中氫氣的濃度,研究人員首次提出了以溶解的H2濃度為關鍵調節因子的AH2調節分配模型,這是研究人員首次直接測量溶解的H2濃度以模擬發酵產物分配并將這些模擬與記錄的發酵變化進行比較的研究。這也說明unisense微電極系統在監控有機廢物發酵過程中產生的氫氣濃度具有非常好的應用前景,相比于傳統的氣相色譜監測有機廢物發酵過程中的氫氣濃度,該測試方法具有便捷的操作、快速而準確獲得氫氣的濃度等優勢。
相關新聞